Pусский| штат: | |
|---|---|
| Количество: | |
БТДИ
BEITE
Модель Описание
НЗГ—□—□
Указывает постоянную марку Beite устройства подачи воды под давлением, первый □ указывает на номинальный диаметр бака, а второй □ указывает на максимум работающий давление.
Такой как НЗГ-800-0,6
Указывает a постоянный давление вода поставлять устройство с a бак диаметр из 800 и a работающий давление из 0,6 МПа.
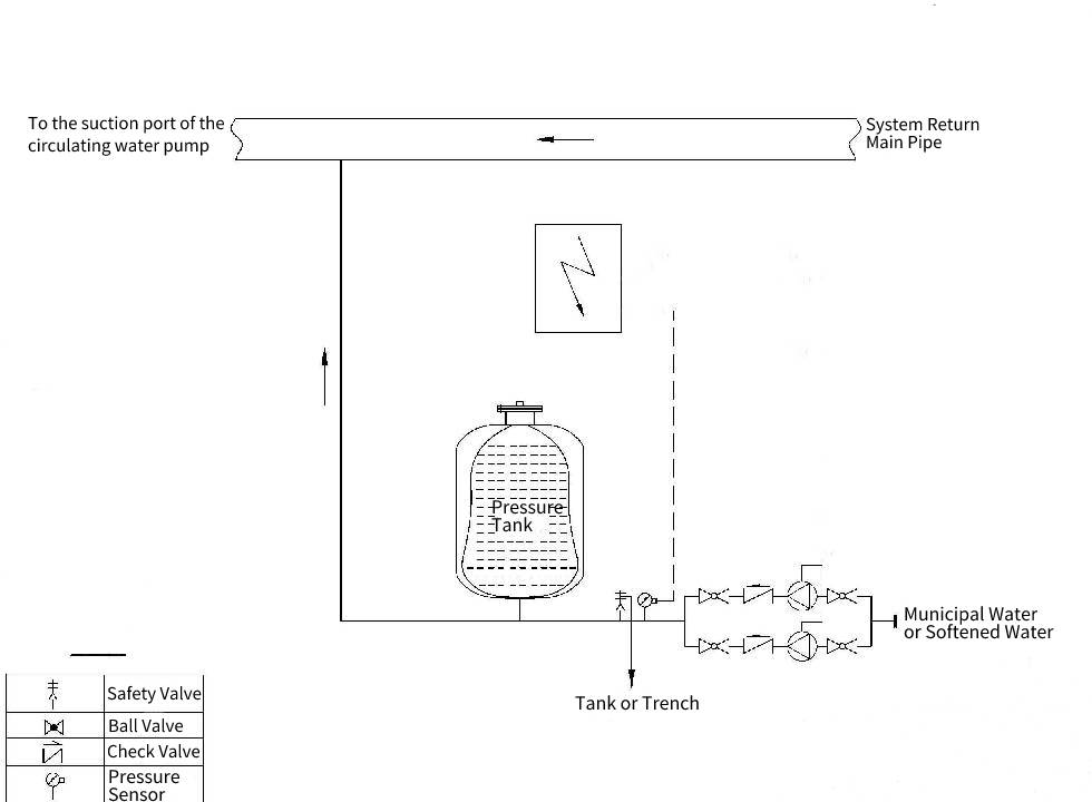
Принцип работы
В замкнутой системе для обеспечения стабильности давления в системе требуется регулируемое расширительное устройство.При уменьшении давления в системе снижается и давление подключенной к ней водяной камеры напорного бака, объем воздушной камеры расширяется, давление также снижается.Когда система управления устанавливает нижний предел, автоматически включается водяной насос для пополнения системы до тех пор, пока не будет достигнуто заданное значение.Устанавливается верхний предел давления, и насос останавливается.При нагреве воды в системе температура увеличивается, объем расширяется, воздушная камера сжимается, давление в напорной системе увеличивается.При достижении предельного значения вода в системе поступает в расширитель (или бак умягченной воды) через предохранительное устройство.Давление в системе также падает до заданного значения и прекращается сброс давления, достигая функции пополнения воды под постоянным давлением.
Технические параметры
1. Источник питания: 380 В, 50 Гц.
2. Диапазон подачи воды: 0 ~ 1000 м3/ч (более подробную информацию можно найти в параметрах поставляемого насоса)
3. Диапазон давления: 0~2,0 МПа, точность регулировки давления: ≤0,01 МПа (устанавливается в соответствии с требованиями места установки).
4. Управляющая мощность: для получения более подробной информации проверьте параметры поставляемого насоса.
5. Количество водяных насосов: 2 комплекта.
6. Режим работы: ручной, автоматический.
7. Температура окружающей среды: 5-40°C, влажность окружающей среды: <90% (20°C), без конденсации.
8. Транспортная жидкость: чистая вода, температура жидкости: 0 ~ 70 ℃.
9. Вариант установки: в помещении, на открытом воздухе.
Функции
1. Автоматическое постоянное давление, автоматическое пополнение воды и автоматический слив воды.
2. Рабочие параметры могут быть установлены произвольно, подходит для любой закрытой системы водоснабжения с постоянным давлением.
3. Экономьте энергию: автоматически считывайте системную информацию и запускайте устройство только при необходимости.
4. Он занимает небольшую площадь, прост в установке и использовании, работает полностью автоматически, безопасен и надежен, прост в обслуживании.
5. Надежный и долговечный – рассчитан на длительную и простую эксплуатацию.
Приложение
1. Централизованный одомашненный вода поставлять система в Жилой области, Жилой здания, деревни и города.
2. Circulation насосы и охлаждение вода поставлять системы для различный типы из центральный воздух кондиционеры.
3. Одомашненный вода поставлять системы в высотное здания, отели, рестораны, и т. д.
4. Всесторонний одомашненный вода поставлять система для рынки, офис здания и коммерческий здания.
5. Горячий вода поставлять, горячий вода обогрев система и огонь вода поставлять система из высотное здания.
6. Производство, одомашненный вода поставлять, постоянный давление поток вода поставлять процесс из промышленный и добыча предприятия, и т. д.
Модель Описание
НЗГ—□—□
Указывает постоянную марку Beite устройства подачи воды под давлением, первый □ указывает на номинальный диаметр бака, а второй □ указывает на максимум работающий давление.
Такой как НЗГ-800-0,6
Указывает a постоянный давление вода поставлять устройство с a бак диаметр из 800 и a работающий давление из 0,6 МПа.
Принцип работы
В замкнутой системе для обеспечения стабильности давления в системе требуется регулируемое расширительное устройство.При уменьшении давления в системе снижается и давление подключенной к ней водяной камеры напорного бака, объем воздушной камеры расширяется, давление также снижается.Когда система управления устанавливает нижний предел, автоматически включается водяной насос для пополнения системы до тех пор, пока не будет достигнуто заданное значение.Устанавливается верхний предел давления, и насос останавливается.При нагреве воды в системе температура увеличивается, объем расширяется, воздушная камера сжимается, давление в напорной системе увеличивается.При достижении предельного значения вода в системе поступает в расширитель (или бак умягченной воды) через предохранительное устройство.Давление в системе также падает до заданного значения и прекращается сброс давления, достигая функции пополнения воды под постоянным давлением.
Технические параметры
1. Источник питания: 380 В, 50 Гц.
2. Диапазон подачи воды: 0 ~ 1000 м3/ч (более подробную информацию можно найти в параметрах поставляемого насоса)
3. Диапазон давления: 0~2,0 МПа, точность регулировки давления: ≤0,01 МПа (устанавливается в соответствии с требованиями места установки).
4. Управляющая мощность: для получения более подробной информации проверьте параметры поставляемого насоса.
5. Количество водяных насосов: 2 комплекта.
6. Режим работы: ручной, автоматический.
7. Температура окружающей среды: 5-40°C, влажность окружающей среды: <90% (20°C), без конденсации.
8. Транспортная жидкость: чистая вода, температура жидкости: 0 ~ 70 ℃.
9. Вариант установки: в помещении, на открытом воздухе.
Функции
1. Автоматическое постоянное давление, автоматическое пополнение воды и автоматический слив воды.
2. Рабочие параметры могут быть установлены произвольно, подходит для любой закрытой системы водоснабжения с постоянным давлением.
3. Экономьте энергию: автоматически считывайте системную информацию и запускайте устройство только при необходимости.
4. Он занимает небольшую площадь, прост в установке и использовании, работает полностью автоматически, безопасен и надежен, прост в обслуживании.
5. Надежный и долговечный – рассчитан на длительную и простую эксплуатацию.
Приложение
1. Централизованный одомашненный вода поставлять система в Жилой области, Жилой здания, деревни и города.
2. Circulation насосы и охлаждение вода поставлять системы для различный типы из центральный воздух кондиционеры.
3. Одомашненный вода поставлять системы в высотное здания, отели, рестораны, и т. д.
4. Всесторонний одомашненный вода поставлять система для рынки, офис здания и коммерческий здания.
5. Горячий вода поставлять, горячий вода обогрев система и огонь вода поставлять система из высотное здания.
6. Производство, одомашненный вода поставлять, постоянный давление поток вода поставлять процесс из промышленный и добыча предприятия, и т. д.